7,5 HP centrifugaalpomp voor zwembaden
- Centrifugaalpomp
- Vermogen: 7,5 pk
- Hoog debiet in gietijzer
- 2.850 t.p.m.
Technisch kenmerken
Centrifugaalpomp 7,5 HP
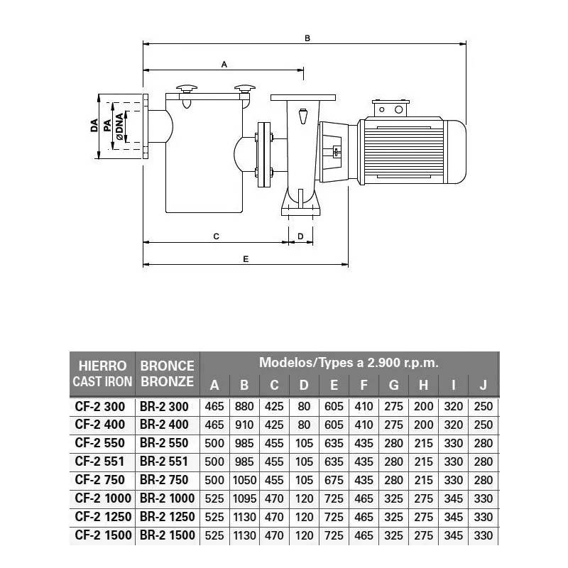
Centrifugaalpomp met hoog debiet van gietijzer, met een voorfilter aan de aanzuig, waardoor het de ideale pomp is voor grote filterinstallaties.
Pomphuis, steun, voorfilter, koppeling en turbine van gietijzer, voorbehandeld met epoxy-polyesterverf en ovengedroogd om het beter bestand te maken tegen oxidatie.
- Roestvaststalen as en voorfilterkorf.
- Mechanische afdichting in koolstofkeramiek.
- Standaard asynchrone motor, gesloten met externe ventilatie.
- Beschermingsgraad IP-54.
- 2.850 rpm. 50 Hz.
- Diameter toevoer: DN125*
- Uitlaat diameter: DN100.
Onderhoud:
Het onderhoud van deze pompen is gemakkelijk en eenvoudig, omdat de constructie van de pomp, die een volledig gestandaardiseerde motor bevat, het mogelijk maakt de motor te vervangen of te repareren zonder dat de installatie leeg hoeft te zijn of enig deel van het hydraulische deel van de pomp hoeft te worden gedemonteerd, zelfs als er geen afsluitkleppen bij de inlaat en uitlaat zijn
- STANDAARDSPANNING: TOT 5,5 PK 220-380.
- SPANNING. VANAF 7,5 PK 380-660 VOLT.
DE BRONZEN UITVOERING WORDT GEOFFREERD EN DE LEVERTIJD WORDT OP AANVRAAG GEGEVEN.
Gegevens Blad
- Variabele snelheid
- Geen





