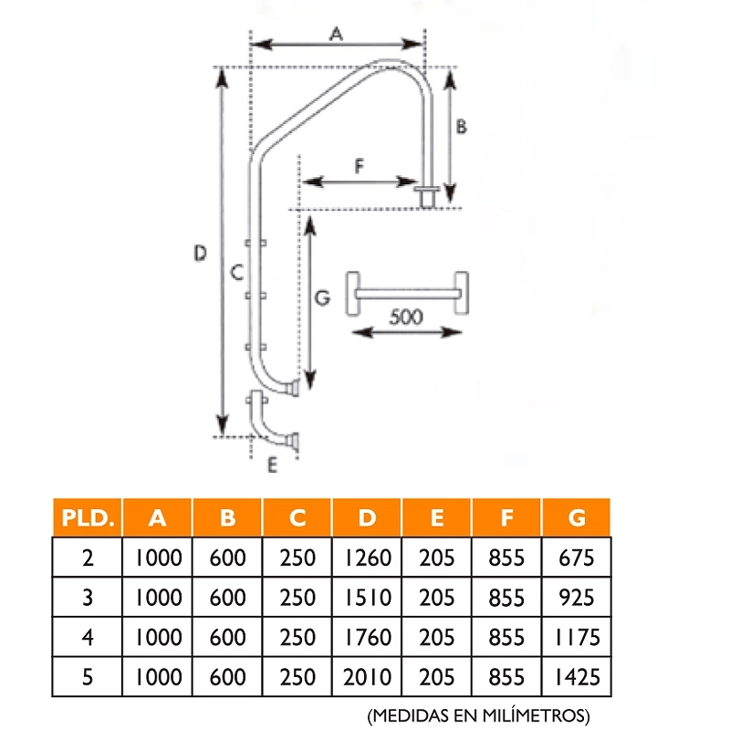
Escalera piscina Coral Standard ancho 1 metro 4 peldaños AISI-316
ref: 02ES10041114 sku: 520098FA
- Escalera piscina tipo STANDARD.
- Fabricada en acero inox. AISI 316 (18/8/2).
- 4 peldaños antideslizantes.
- Ancho 1 metro. Especial para piscinas de nivel desbordante.
- Incluye tapetas, anclajes y toma de tierra.
- Diseño que garantiza seguridad.
- Fácil instalación.
379,00 €
Envío gratis
Características Técnicas
Ficha Técnica
- Nº peldaños
- 4
- Fabricado en
- AISI-316
- Modelo
- Standard
- Asimétrica
- No
- Peldaño antideslizante
- Si
- Destino
- Piscinas enterradas
También Te puede interesar
Últimos Productos visitados
Termómetro flotante osito polar
Consúltenos el precio
Piscina enterrada Gre serie Moorea de 800 x 400
Consúltenos el precio



